您好!欢迎来到武汉南电合创电力设备有限公司
销售热线:15377071503 加盟合作
当前有301人正在浏览此页面

NDFD-Z 避雷器放电计数器校验仪

产品别名:避雷器放电计数器校验仪
我们保证在24小时之内提供专业的产品咨询、详细的技术资料及由电气专业人员提供合理的设计方案。对您所要求的产品进行统一、合理报价。我们随时欢迎您的考察。

销售热线:15377071503

售前咨询:027-88233709

此商品仅剩19件!

  • 产品概述
  • 功能特点
  • 详情参数
  • 产品图集
  • 产品视频
  • 检定证书
  • 买家评价
  • 客户留言

     

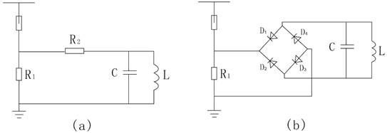
    图1 NDFD-Z     动作记数器的原理图
    NDFD-Z  型;(b)NDFD-Z 8
    R1、R2—非线性电阻;C—贮能电容器
    L—记数器线圈;D1~D4—硅二极管


    图1所示为NDFD-Z 型动作记数器的原理接线图。图1(a)为NDFD-Z 型动作记数器的基本结构,即所谓的双阀片式结构。当避雷器动作时,放电电流流过阀片R1,在R1上的压降经阀片R2给电容器C 充电,然后C再对电磁式记数器的电感线圈L放电,使其转动1格,记1次数。改变R1及R2的阻值,可使记数器具有不同的灵敏度。一般最小动作电流为100A(8/20μs)的冲击电流。因R1上有一定的压降,将使避雷器的残压有所增加,故它主要用于40kV以上的高压避雷器。


    图1(b)表示 NDFD-Z 8型动作记数器的结构,系整流式结构。避雷器动作时,高温阀片R1上的压降经全波整流给电容器C充电,然后C再对电磁式记数器的L放电,使其记数。该记数器的阀片R1的阻值较小(在10kA时的压降为1.1kV),通流容量较大( 1200A方波),最小动作电流也为100A(8/20 s)的冲击电流。NDFD-Z8型记数器可用于6.0~ 330kV系统的避雷器,NDFD-Z8A型记数器可用于 500kV系统的避雷器。

    - - - - - - - - - - - - - - - - - - - - - - - - - - - - - - - - - - - - - - - - - - - - - - - - - - - - - - - - - - - - - - - - - - - - - - - - - - - - - - - - - - - - - - - - - - - - - - - - - - - - - - - - - - - - - - - - - - - - - - - - - - - - - - - - - - - -


     

     

    图1 NDFD-Z     动作记数器的原理图
    NDFD-Z  型;(b)NDFD-Z 8
    R1、R2—非线性电阻;C—贮能电容器
    L—记数器线圈;D1~D4—硅二极管


    图1所示为NDFD-Z 型动作记数器的原理接线图。图1(a)为NDFD-Z 型动作记数器的基本结构,即所谓的双阀片式结构。当避雷器动作时,放电电流流过阀片R1,在R1上的压降经阀片R2给电容器C 充电,然后C再对电磁式记数器的电感线圈L放电,使其转动1格,记1次数。改变R1及R2的阻值,可使记数器具有不同的灵敏度。一般最小动作电流为100A(8/20μs)的冲击电流。因R1上有一定的压降,将使避雷器的残压有所增加,故它主要用于40kV以上的高压避雷器。


    图1(b)表示 NDFD-Z 8型动作记数器的结构,系整流式结构。避雷器动作时,高温阀片R1上的压降经全波整流给电容器C充电,然后C再对电磁式记数器的L放电,使其记数。该记数器的阀片R1的阻值较小(在10kA时的压降为1.1kV),通流容量较大( 1200A方波),最小动作电流也为100A(8/20 s)的冲击电流。NDFD-Z8型记数器可用于6.0~ 330kV系统的避雷器,NDFD-Z8A型记数器可用于 500kV系统的避雷器。
     

    装箱清单
    主机                1 台
    电源线              1 根
    测试线              2 根
    说明书              1 份
    合格证/保修卡       1 份
    检测报告            1份

     

          售后服务
          售后服务承诺
          1、质量保证 2、供货安装时间 3、产品交货期 4、保修承诺 5、响应时间 6、服务体系
          产品价格承诺

          1、在同等竞争条件下,我公司在不以降低产品技术性能、更改产品部件为代价的基础上,真诚以最优惠的价格提供给贵方。

          2、在保修期内供方将免费维修和更换属质量原因造成的零部件损坏,保修期外零部件的损坏,提供的配件只收成本费,由需方人为因素造成的设备损坏,供方维修或提供的配件均按成本价计。

          售后服务保证

          公司实力保障:本公司将为该项目设立专人售后服务制度;

          投诉体系及联系方式

          1、如果您对我们的服务有意见,请向技术部调度员或维修部经理投诉。

          2、对用户所投诉的问题,核实是我们责任的,将对管理人员及经办人员进行不同程度的惩处,并向用户赔礼道歉。如不是我司的责任,相关人员也将向用户解释,希望用户能给予我们最大的支持。

          联系购买
          • 热线电话:

            15377071503

          • 在线咨询:

            15377071503

          • 客服QQ咨询: 2188615603
          售后与技术

          已购买的南电产品,南电将遵循销售服务承诺及产品合同条款,您在产品使用中如有任何使用疑难,可以拨打电话向我们咨询。

          电话:15377071503

          24小时技术支持:15377071503(微信同号)

          发货查询专线

          您只需要拨打一个电话,我们将快速为您查询订单信息及产品发货状态。

          查询专线:15377071503

          相关文章
          介质损耗角正切值测量仪器2022-09-18
          变压器空载试验的电源容量的选择2022-09-16
          变压器的空载试验和短路试验2022-09-16
          知道变压器的额定电压,额定电流,如何计算它的容量呢?2022-09-16
          氧化锌避雷器带电测试实验2022-09-16
          什么是电介质的介质损耗?影响介质损耗的主要因素有哪些?2022-09-15
          避雷器检验规范2022-09-14
          氧化锌避雷器工作原理和特点2022-09-14
          氧化锌避雷器测试2022-09-13
          变压器的绝缘电阻测试方法2022-09-13
          全国咨询热线
          15377071503 15377071503
          欢迎来电咨询,我们将及时为您解答相关疑问!
          相关产品
          NDGK-607 高压开关动特性测试仪
          NDGY-300 高低压电流互感器变比测试仪
          NDTBC-308 特种变压器变比测试仪
          NDTBC-309 特种变压器变比测试仪
          NDZL-100A直流电阻测试仪